Perfect 36×50 House Plan | 3BHK Home Design with 2 Front Shops and Car Parking | 1800 Sqft House Design | 200 Gaj Vastu Friendly Home Design

Vastu-Friendly 36×50 House Plan Introduction | 36×50 घर का नक्शा

यह 36×50 house plan north-facing का डिज़ाइन के बारे में डिटेल में Manara Architects के इस Article में कम्पलीट जानकारी दी गई है। 
इसकी पूरी जानकारी के लिए इस Article को पूरा पढ़े जिसमे आपको Expert Architecture Design Plan और quality Design और Construction  के बारे में Detail में बताया गया है जिससे आपको इस तरह के House Design  के बारे में सभी Architectural , Structural और  Construction Cost आदि की सही से जानकारी मिल सके जिससे आपको अपने घर का प्लान करने में आसानी हो और आपके बजट के बारे में पूर्वानुमान भी पहले से पता हो। 

36×50 House Plan – Design Concept

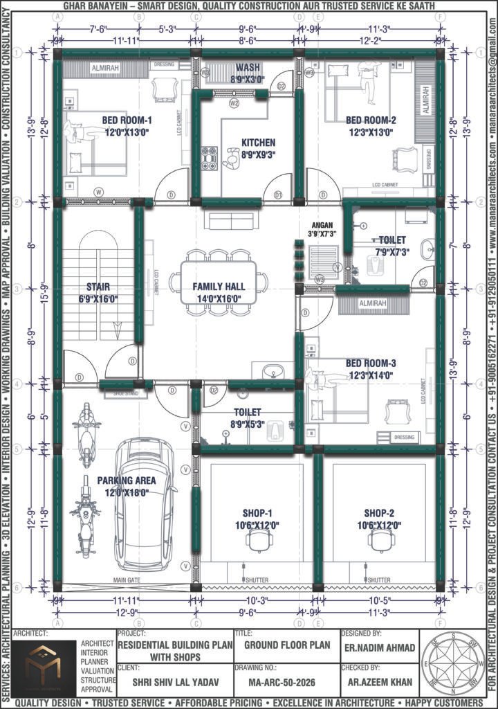
यह 36×50 house plan का डिज़ाइन Residential और Commercial दोनों के लिए उपयुक्त रहे इसे ध्यान में रखते हुए design किया गया है। 
इसमें  Commercial use के लिए सामने रोड की तरफ दो Shops का डिज़ाइन किया गया है। 
और Residential Part में Car Parking, 3 Bedroom, Family Hall, Kitchen, Wash Area, 2 Toilets, Standard Staircase Design और वास्तु को ध्यान में रखते हुए आँगन (C.yard) दिया गया है। 

Room Size Details – 36×50 House Plan

नीचे पूरी 36×50 house plan में जितने Rooms हैं, सबका Size और वर्गफुट का चार्ट दिया गया है, जिससे यह पता चलता है कि Wall में लगभग 277 Sqft  का एरिया आ रहा है। 

Total Area  1800 वर्गफुट का है तो सभी Rooms  का योग लगभग 1523 वर्गफुट  होता है। इससे यह पता चलता है कि Wall या Beam के संबंध में 1800 वर्गफुट के House में कुल Wall का Percentage 15.38% होता है। 

 

Space Size Area (Sq Ft)
Shop 1 10’6″ × 12’0″ 126 sq ft
Shop 2 10’6″ × 12’0″ 126 sq ft
Car Parking 12’0″ × 18’0″ 216 sq ft
Family Hall 14’0″ × 16’0″ 224 sq ft
Kitchen 8’9″ × 9’3″ 81 sq ft
Bedroom 1 12’0″ × 13’0″ 156 sq ft
Bedroom 2 12’3″ × 13’0″ 159 sq ft
Bedroom 3 12’3″ × 14’0″ 171 sq ft
Attached Toilet 7’9″ × 7’3″ 56 sq ft
Common Toilet 8’9″ × 5’3″ 46 sq ft
Staircase 6’9″ × 16’0″ 108 sq ft
Wash Area 8’9″ × 3’0″ 26 sq ft
Courtyard (C.Y.) 3’9″ × 7’3″ 27 sq ft

 

 

Total Plot Area: 36 × 50 = 1800 sq ft

Rooms + functional spaces:1523 sq ft

Walls:277 sq ft

Ground Floor Wall Centerline Plan – 36×50 House Plan

Ground Floor Wall Centerline Plan of 36×50 House Plan with 3 Bedrooms, Hall, Kitchen, Toilets and Front Shops

Note : ऊपर जो Ground Floor Wall Centerline Plan – 36×50 House Plan का दिया गया है इसमें केवल दीवाल का Centerline दिया गया है.

 

नीचे पीडीएफ का लिंक दिया गया है। इस पर क्लिक करके आप Wall Centerline Plan का पीडीएफ download कर सकते हैं। 

Column Layout Plan – 36×50 House Plan

Ground Floor Column Layout Plan of 36×50 House Plan showing columns for 3 Bedrooms, Hall, Kitchen, Toilets, Car Parking and 2 Front Shops

इस 36×50 house plan में कुल 24 columns दिए गए हैं। Detailed Column Layout Plan में केवल दो Dimension Line दिए गए हैं। पहली लाइन Column से Column के बीच की दूरी का माप है। दूसरी लाइन कॉलम के सेंटर से सेंटर का माप है। 

 36×50 House Plan का Column Layout PDF Download करने के लिए निचे बटन दिया गया है यहाँ से डाउनलोड कर सकते हैं। 

36x50 House Plan Ground Floor – North Facing 3BHK with 2 Shops & Car Parking

36x50 house plan north facing 3BHK with 2 shops and car parking layout
36x50 house plan with furniture layout north facing 3BHK with 2 shops and car parking
36x50 house plan north facing 3BHK with 2 shops and car parking layout

Leave a Comment

Your email address will not be published. Required fields are marked *

Scroll to Top